Kilburn 1947 Report Cover Notes

Covering Notes for Tom Kilburn's 1947 report to TRE:
A Storage System for Use with Binary Digital Computing Machines

Background

This Report was the key document written by Tom Kilburn to describe the work done in 1947 to investigate the possibility of using a conventional Cathode Ray Tube to provide a storage system for electronic computers.

The 1947 Report was written by Kilburn for TRE, as a report on his first year of secondment from TRE, and to enable a second year of secondment.

As Simon Lavington notes in the Reference to Kilburn's thesis in his book "A History of Manchester Computers", the Report was "a personal report to TRE to obtain a second year of secondment to the University of Manchester. Kilburn has stated that whilst he was writing it, requests for copies came in. Twenty copies were therefore made, and the document was circulated as an Internal Report by the Department of Electrotechnics, University of Manchester, dated 1st December 1947. Due to demand, a further 30 copies were made. It is known that several copies were taken to the USA by Douglas Hartree (Cambridge), Harold Huskey (SWAC at UCLA) and A M Uttley (TRE) in the Spring of 1948."

Kilburn used the same title for his PhD thesis (in 1948), and the title is used yet again for the first detailed paper published on the Manchester C.R.T. storage mechanism (in 1949), i.e.
Williams, F C and Kilburn, T : A Storage System for Use with Binary Digital Computing Machines, Proc. IEE, Vol. 96, part 2, No 30, 1949

This 1949 Paper is closely based on the 1947 Report. It adds very little to the report. Indeed it removes the material on both the less and more detailed "hypothetical machines" of the report, which are given to illustrate how the storage system described might be used in practice. (Of course by the time the paper was published computers using the storage now existed!) This material is interesting in that it shows an understanding of what a small computer using the C.R.T. store might look like that is significantly different from what Tom actually designed a few months later. (In particular, he imagines that each instruction will have its own dedicated register, and the instruction code simply comprises two addresses and a "direction" bit, the register address implying the instruction. Also the act of bringing down the next instruction is treated as an instruction, hence the early reference to a computer using his C.R.T. taking 600 microsecs. per instruction, rather than the 1200 one would expect knowing the Baby!)

Material Provided

Note that in general the individual pages provided which show graphical material (e.g. a diagram) are less than 100KB in size. Exceptions are detailed on the page listing them all. On my browsers at least, the diagrams will come up scaled down as necessary to fit in the window, and you can increase the size by increasing the window size, or by clicking as appropriate to the browser to bring the diagram up to full size, when you can then scroll around it.

The material provided in the pages associated with 1947 Report is as follows :

  1. The text of a transcription of the 1947 Report.
  2. A summary of the editing that has been done in the transcription.
  3. Inexpensive scans are provided of pages 6, 7, 18, and 19 if you want to get a feel of the original Report. A 4.5MB version of page 19 exists if you want to get a closer feel!
  4. A summary is provided of the differences between the 1947 Report and the 1949 Paper.
  5. The diagrams of the Report are tied in at the back of the Report, done as blueprints in a wide variety of sizes. These have been converted into conventional black on white, with a certain amount of cleaning up.
          To get a feel for the originals, see 2.4 and 3.6 (but the blue is a bit too bright!).
          The blueprints were prepared by Joe McCormick.
  6. The set of diagrams and photographs from the Report are stored in separate pages (in black and white) and are referenced from the transcription text in a conventional manner.
          But an index of the diagrams is given on a separate page to help anyone who wishes to open a separate window to study a diagram with the associated text still visible. (E.g., open a second window with a copy of the diagrams index URL and click on the appropriate diagram number in the index to see the diagram; go BACK to the index when you have finished, ready for the next one.)

Summary of Editing Done on the 1947 Report Text

  1. The modern standard paragraphing convention is used, whereas the Report indents at a paragraph, with no blank line.
  2. Hyperlinks have been superimposed on numbers in the text to provide linking to sections of the text, figures and references in a conventional manner.
  3. The Report uses footnotes, mostly to give the references, but once or twice to make insertions in the text to achieve corrections. Each has been replaced in situ by the footnote, without brackets where they are insertions, and in brackets for the references. E.g. :
    "For these reasons the binary system of numbers has become popular in recent plans for electronic digital computing machines1, although in the past the decimal system has been used2."        becomes
    "For these reasons the binary system of numbers has become popular in recent plans for electronic digital computing machines (bibliographies 1, 2), although in the past the decimal system has been used (bibliography 3).".
  4. Most of the mathematical terms which contained division in the Report used three lines, with a line separating dividend and divisor. They have been replaced by dividend "/" divisor, all on one line. In two cases a pair of brackets have been added to specify the correct binding.
  5. Various spaces have been removed to achieve a consistent usage throughout the Report, e.g. within a term in a formula, and between a number and its unit (e.g. 6.3mms.)
  6. The Report's usage of "o" instead of "0" has been retained for zero subscripts and superscripts!
  7. The edited version consistently uses a capital S and F for Section and Figure references, and I have consistently used the hyphen in "Y-shift" rather than the occasional "Y shift".
  8. There are a number of minor typographical errors in the original, including missing "small words" (e.g. prepositions and articles) and a couple of incorrect references. Where I am confident of the error, I have corrected it (usually confirming it from the corresponding passage of the 1949 Paper).
  9. I have in general not tried to improve the punctuation, e.g. I have kept to "C.R.T.'s" rather than "C.R.T.s" as the plural of "C.R.T." !
  10. The Report has some local inconsistencies in the use of subscripts, especially w.r.t. elements in diagrams. I have made these consistent with the local majority usage (i.e. to use subscripts). But in section 8, where there are a lot of such references to valves (e.g. V2) and diodes (e.g. D3) and none use subscripts, I have left them without subscripts. (The 1949 Paper consistently uses subscripts throughout.)
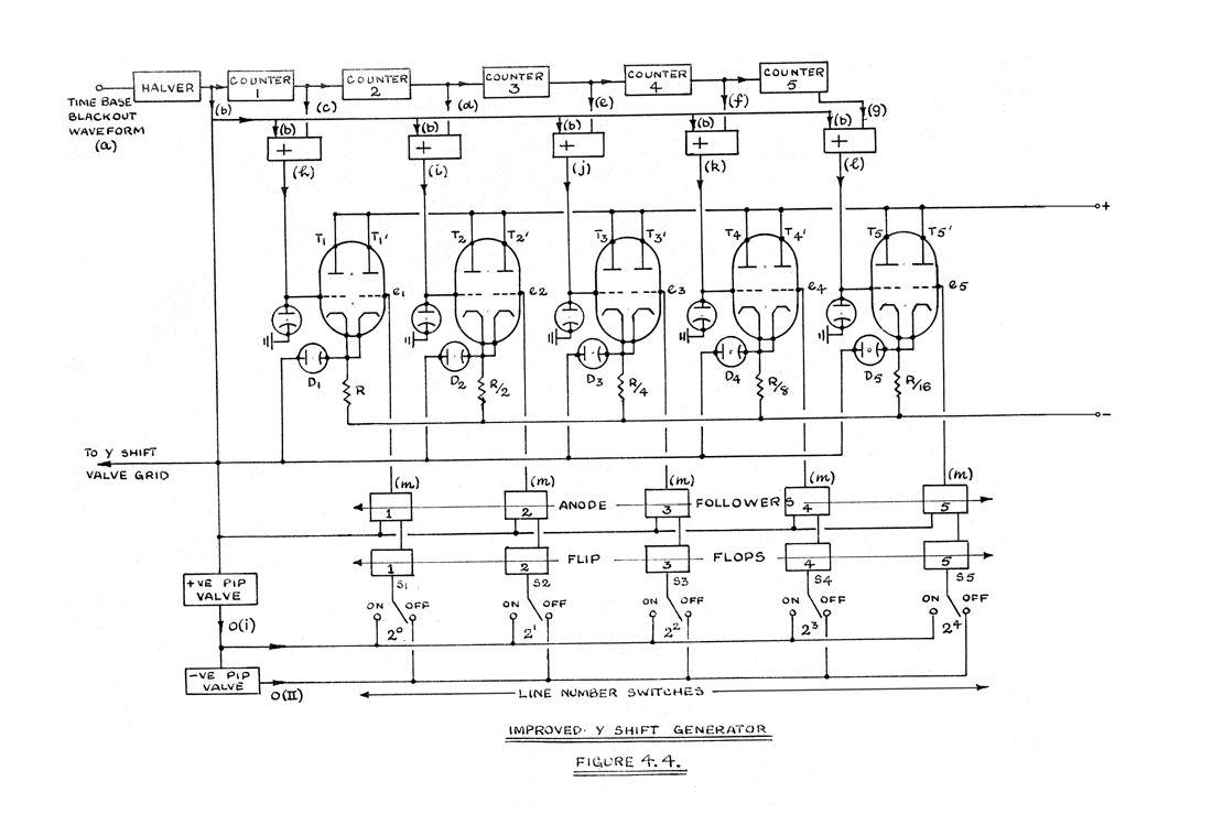
  11. There is a particular passage, Section 4.1, where a lot of references are made to the triodes Tn'. The 1949 Paper corrects these to T'n (in both text and diagram) but I have left them so that they remain consistent with the Report diagram (see Figure 4.4).

Differences between the 1947 Report and the 1949 Paper

Except as implied by the detailed differences given below, the 1949 Paper is mostly a verbatim copy of the 1947 Report, and the diagrams are nearly all identical in content and in the same sequence.

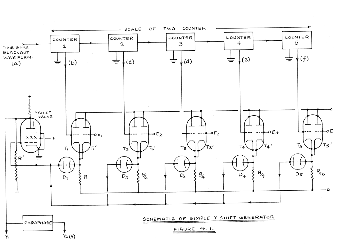
  1. Section 1.3, 1.4 and 1.5 have been reordered, with some rewriting, and in particular the references to the schematic diagram of a hypothetical machine have been removed (as indeed has the diagram, Fig 1.2).
  2. Section 4.1, which contains detailed references to two circuit diagrams, has been rewritten at a much higher level, with most of the detailed description put in the Paper's Appendix, which is the equivalent of Section 8 of the Report.
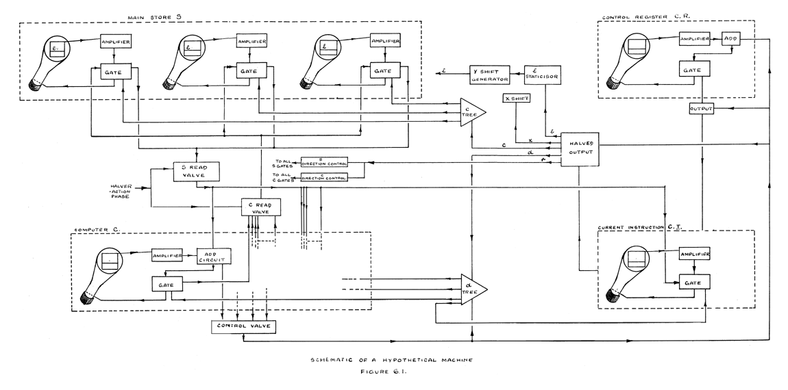
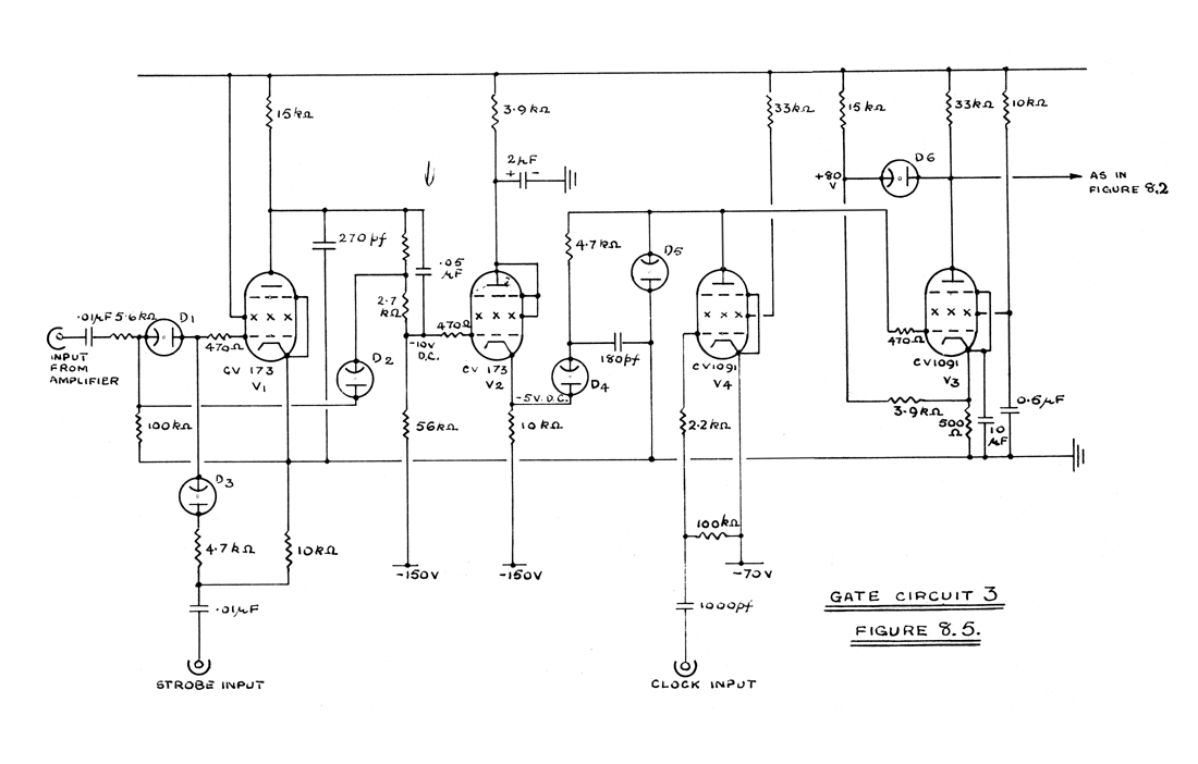
  3. Section 6 has been removed. This relates in more detail how the C.R.T. store would be used in a computer (with a more sophisticated schematic diagram 6.1 -- also removed).
  4. A short Acknowledgements and Conclusions section is added in the Paper.
  5. Section 8 of the report becomes an Appendix in the paper, with the material of 8.3 and 8.4 removed, and the material from Section 4.1 added.
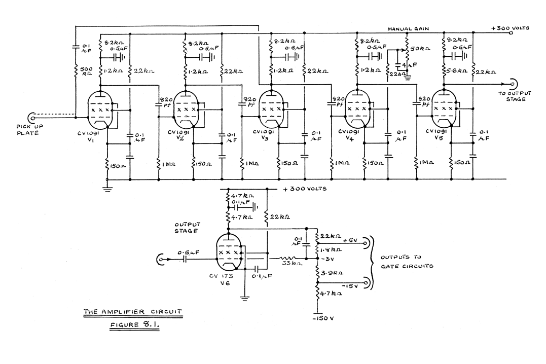
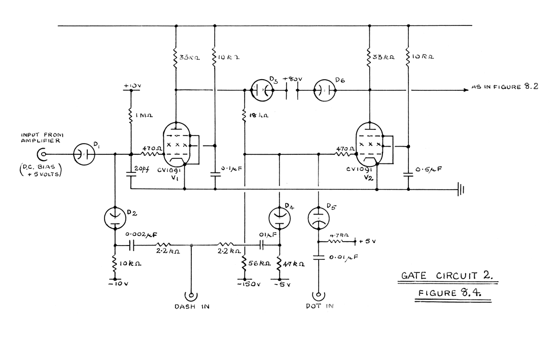
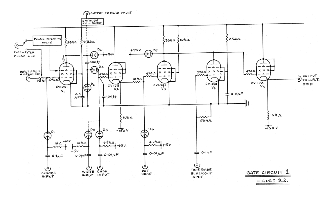
  6. The diagrams of the Paper essentially comprise the diagrams in the Report, minus those relating to the removed material (Figures 1.2, 4.3, 5.5, 6.1, 6.2, 6.3, 8.4, 8.5 and 8.6). The diagrams that remain are in general identical in content and relative position, but altered in presentation. Some of the redone circuit diagrams are unpleasantly cluttered. There are two with minor alterations in content, 3.3 and 8.1, and one diagram with substantial alterations, 8.2. Also, in the Report, Figure 4.5 is spread over two diagrams (both labelled 4.5), which I have labelled 4.5a and 4.5b behind the scenes, with the hyperlink in the text going to the appropriate one for the context. But in the Paper 4.5a is kept in its original position and 4.5b is moved to the appendix (along with 4.4).

\